- Calificación de soldadores
- Preparación de procedimientos de soldadura.
- Preparación de PQR.
- Manejo de códigos de soldadura D1.1 o el código que anteladamente lo requieran.
- Apoyo en la preparación de Dossier de calidad.
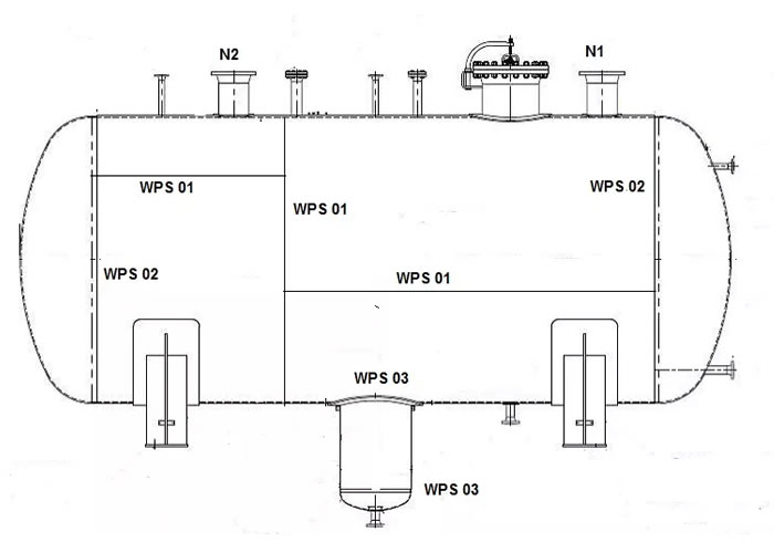
- Elaboración de "Map welding'
- Administración de mejoras en los procesos de soldadura lo cual conlleva a ahorros sustanciales. "TOTAL WELDING MANAGEMENT"



